Microsystems Prototyping Laboratory


lgnf321: D-LATCH W / ACTIVE LOW CLK & HI-Z OUTPUT


Gate Level Schematic of the standard cell "lgnf321".


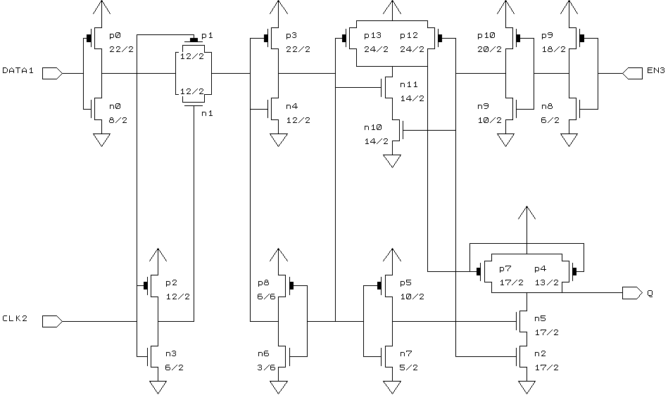
Schematic of the standard cell "lgnf321" with device sizes in lambda.


Layout of the standard cell "lgnf321"

here.


Logic Equation: Q = [(Qn-1 * CLK2) + (DATA1 * CLK2')] * EN3

Hi-Z when EN3 = 0


Input(s): CLK2, DATA1, EN3


Output(s): Q


Truth Table

-------------------------------
CLK	DATA	EN	Q
-------------------------------
1	x	1	Qn-1
0	0	1	0
0	1	1	1
x	x	0	Z
-------------------------------


Terminal Location and Capacitance Table

--------------------------------------------
Name	X_loc	Y_loc	   Capacitance (fF)
	lambda  lambda   2U	1.2U	0.8U
--------------------------------------------
CLK2	34	28	75.7	54.7	37.6
DATA1	5	29.5	73.9	60.1	40.1
EN3	172	26	62.2	50.3	33.4
Q	138	37.25	-	-	-
--------------------------------------------


Characterization Data