Microsystems Prototyping Laboratory


invf104: 4X INVERTING BUFFER


Gate Level Schematic of the standard cell "invf104".


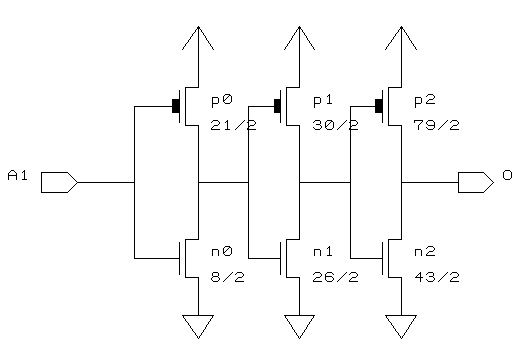
Schematic of the standard cell "invf104" with device sizes in lambda.


Layout of the standard cell "invf104"

here.


Logic Equation: O = A1'


Input(s): A1


Output(s): O


Truth Table

---------
A	O
---------
0	1
1	0
---------


Terminal Location and Capacitance Table

--------------------------------------------
Name	X_loc	Y_loc	   Capacitance (fF)
	lambda  lambda   2U	1.2U	0.8U
--------------------------------------------
A1	15	34	70.7	34.8	22.7
O	76	34	-	-	-
--------------------------------------------


Characterization Data